Резервуары и металлоконструкции
от завода-производителя

Доставка по всей России!

slide-s02

Отстойник нефти ОН

Отстойник нефти ОН используется в системе нефтедобычи и последующей переработки для разделения в водонефтяных эмульсиях остаточного продукта и непосредственно пластовых вод. Завод резервуаров и негабаритных металлоконструкций (РиНМ) предлагает высококачественные резервуары различного объема из собственных материалов. Гарантируется исполнение в соответствии с международными нормами, помощь в транспортировке готовых цистерн до места эксплуатации и монтаже в системы любой сложности.

 

Сфера применения

 

Изготавливаемые согласно ГОСТ 17032-2010 резервуары внедряются в системы нефтедобычи в качестве вспомогательного оборудования. Добываемые массы содержат в себе ряд дополнительных примесей, которые необходимо, используя различные процессы, отделять и сливать (собирать) в иные емкости. Газ, пластовые воды, эмульсии – все это проходит различные этапы, для которых необходимо специализированное оборудование.

 

Горизонтальный резервуар для отстаивания позволяет использовать характерное движение капель воды (замедляющееся на определенных фазах подачи эмульсии в систему) для их отделения и получения остаточного чистого нефтепродукта. Преимущества использования следующие:

  • подача водонефтяной эмульсии осуществляется непрерывно;
  • рабочее давление в отстойнике составляет от 0,8 до 1,0 МПа;
  • сброс воды контролируется специализированными датчиками.

Длительное время пребывания подаваемого состава в отстойник и повторное перемешивание позволяет обеспечить полное отделение воды от нефти.

 

Материалы изготовления

 

Для резервуара поставщик предлагает использовать высококачественные сплавы стали собственного производства. Для эксплуатации в регионах, предусматривающих климатическое исполнение типа У1 и ХЛ1, постоянные температуры в которых варьируются в значениях, не превышающих -60°С и +40°С, отбираются проверенные сплавы марки 09Г2С в качестве основного материала. Вспомогательные узлы могут быть изготовлены из нержавеющих сплавов (08Х18Н10Т).

 

Чтобы обеспечить максимальную устойчивость к воздействию коррозии поверхности обрабатывают дополнительными составами. Внутренняя поверхность резервуара подвергается термообработке, а также специализированному покрытию проверенными эксплуатацией составами. Вся трубопроводная обвязка, выходные штуцеры могут быть изготовлены из стали, подбираемой по нормам потребителя. Поставщик предлагает свои услуги в проектировке.

 

Габаритные характеристики

 

Технические требования при изготовлении соответствуют нормам ТУ 3615-014-04606975-2013. Поставщик предлагает резервуары двух объемов – непосредственное внедрение зависит от производственных потребностей покупателя. Для отстойников номинальным объемом 100 или 200 кубометров предлагается исполнение в следующих стандартизированных размерах:

 

Параметр

Значение

Номинальный объем (м3)

100

200

Диаметр резервуара (мм)

3040

3432

Расстояние между опорами (мм)

2940

4925

Полная длина сооружения (мм)

14000

22000

Высота с люками и опорами (мм)

3920

4320

Масса (кг)

23107

45769

Толщина стенки корпуса (мм)

14

16

Толщина стенки днищ (мм)

16

20

Количество штуцеров

от 20

от 20

 

Расположение входных, выходных штуцеров, люков, предназначенных для подачи продукта, а также технологического обслуживания внутренней части резервуара, соответствует разработанным схемам и нормам международных регламентов. Использование высокотехнологичных датчиков и контрольно-измерительной (КИ) аппаратуры позволяет гарантировать стабильность работы системы отстаивания.

 

Особенности поставки

 

Немаловажной составляющей емкости является расположение, а также внедрение ряда входных и выходных отверстий для подачи, слива обрабатываемого продукта и отходов, подключения КИ аппаратуры. Таблица штуцеров для емкостей выглядит следующим образом:

 

Назначение

Условный проход для отстойника объемом (мм)

Количество

100 м3

200 м3

Подача нефтепродукта

500

700

2

Выход газовой среды

80/500

80/500

1

Выход очищенного продукта

300

300

2

Слив пластовой воды

300

300

1

Дренаж и зачистка

300

300

1

Дренаж откачки

150

150

1

Предохранительный клапан

200

200

1

Регулятор уровня (основной штуцер)

50, 100, 100

50, 100, 100

3

Регулятор уровня (промежуточный штуцер)

300

300

1

Муфта отбора проб

15

15

3

Муфта под манометр

15

15

1

Монтаж дифманометра

15

15

1

Промывочный штуцер

150

150

2

Люк обычный

600

800

1

Люк-лаз

500

500

1

 

Горизонтальная цилиндрическая емкость предназначена для установки на специализированные опоры по месту внедрения. Перед размещением необходимо подготовить надежную, ровную площадку для достаточно габаритного резервуара. Опоры помогают стабилизировать размещение, кроме прочего требуется внедрение вспомогательного оборудования:

  • площадка обслуживания;
  • лестница доступа на верхнюю часть;
  • вариации ограждения для ограничения неподконтрольного доступа.

Поставщик предлагает стандартные проекты исполнения отстойника вместе со всеми вспомогательными узлами, либо корректировку под нужды потребителя, без качественных потерь.

 

Изготовитель

 

Завод РиНМ предлагает качественное оборудование для нефтеперерабатывающих и добывающих предприятий. Надежные элементы систем или полное проектирование полных узлов обработки (добычи) и вспомогательных процессов. Собственные материалы, квалифицированный персонал, индивидуальный подход к решению поставленных задач. Надежный отстойник нефти ОН, изготовленный на мощностях исполнителя – гарантия высококачественных, безопасных ответственных процессов.

Преимущества

  • Цены от производителя

  • Гарантия качества

  • Комплектация объектов под ключ

  • Производим монтаж/демонтаж

  • Оперативная доставка в любой регион

  • Быстрые сроки поставки,
    четкое соблюдение сроков

  • Персональный подход

  • Гарантийное обслуживание

  • Разработка КМД от 2-х
    рабочих дней

  • Составление КП от 15 минут

Подготовим коммерческое предложение
с учетом ваших индивидуальных технических требований

Скачать опросный лист

Технические характеристики

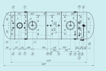
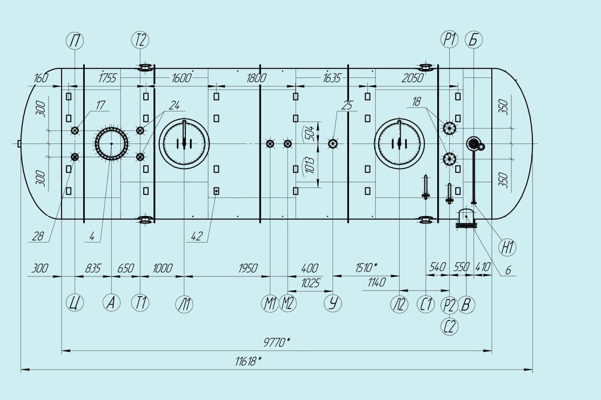
ОБОЗНАЧЕНИЕ

НАЗНАЧЕНИЕ

ОБОЗНАЧЕНИЕ

НАЗНАЧЕНИЕ

А

вход нефтегазовой эмульсии

М2

для датчика давления

Б

выход газа

Н1...Н4

для визуального указателя уровня

В

выход нефти

П

для пропарки

Г

вывод воды

Р1, Р2

для датчика уровня

Д

дренаж

С1...С5

для сигнализатора уровня

Е1, Е2

сброс осадка

Т1

для термометра

Ж1, Ж2

вход воды для размыва осадка

Т2

для датчика температуры

И

вход воды в коллектор для размыва осадка

У

для предохранительного клапана

К

забор промежуточного слоя

Ф1

для вентиля пробоотборника

Л1, Л2

люк

Ф2

для вентиля пробоотборника

М1

для манометра

Ц

вход газа

 

Чертеж

Чертеж Отстойник нефти ОН Чертеж Отстойник нефти ОН

Доставка

Чтобы избавить Вас от необходимости поиска логистической компании, мы готовы взять на себя работу по осуществлению доставки оборудования на Ваш объект.

Преимущества осуществления доставки при помощи нашей компании:

  • Работа только с проверенными временем подрядчиками
  • Четкое соблюдение сроков
  • Разумные цены
  • При необходимости, груз можно застраховать
  • Стоимость услуги рассчитывается индивидуально, в зависимости от региона доставки и объема груза.

Свяжитесь с нашим менеджером по телефону или через форму сайта и мы подготовим для Вас расчет.

Скачать опросный лист